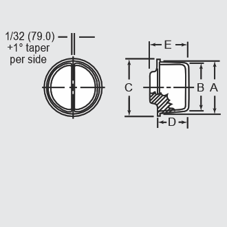
| Part Number | Use as a Plug | Use as a Cap | Bulk Pack Qty | ||||||||
|---|---|---|---|---|---|---|---|---|---|---|---|
| A | B | C | D | E | |||||||
| In | mm | In | mm | In | mm | In | mm | In | mm | ||
| CP6A | 0.335 | 8.51 | 0.267 | 6.78 | 0.469 | 11.91 | 0.406 | 10.32 | 0.625 | 15.88 | 5000 |
| CP9A | 0.428 | 10.87 | 0.362 | 9.19 | 0.594 | 15.08 | 0.375 | 9.53 | 0.750 | 19.05 | 7000 |
| CP10A | 0.463 | 11.76 | 0.402 | 10.21 | 0.625 | 15.88 | 0.375 | 9.53 | 0.750 | 19.05 | 6000 |
| CP14A | 0.500 | 12.70 | 0.567 | 14.40 | 0.720 | 18.30 | 0.469 | 11.90 | 0.811 | 20.60 | 7500 |
| CP12A | 0.512 | 13.00 | 0.448 | 11.38 | 0.656 | 16.67 | 0.406 | 10.32 | 0.563 | 14.29 | 5000 |
| CP18A | 0.579 | 14.70 | 0.669 | 17.00 | 0.811 | 20.60 | 0.531 | 13.50 | 0.752 | 19.10 | 5500 |
| CP19A | 0.610 | 15.50 | 0.697 | 17.70 | 0.839 | 21.30 | 0.531 | 13.50 | 0.780 | 19.80 | 5000 |
| CP24A | 0.610 | 15.50 | 0.827 | 21.00 | 1.000 | 25.40 | 0.591 | 15.00 | 0.839 | 21.30 | 5000 |
| CP31A | 0.973 | 24.71 | 0.869 | 22.07 | 1.120 | 28.45 | 0.750 | 19.05 | 1.000 | 25.40 | 4000 |
| CP40A | 1.028 | 26.10 | 1.146 | 29.10 | 1.339 | 34.00 | 0.752 | 19.10 | 1.000 | 25.40 | 2500 |
| CP37A | 1.092 | 27.74 | 0.967 | 24.56 | 1.250 | 31.75 | 0.780 | 19.81 | 1.030 | 26.16 | 2500 |
| CP42A | 1.094 | 27.80 | 1.220 | 31.00 | 1.409 | 35.80 | 0.780 | 19.80 | 1.000 | 25.40 | 2500 |
| CP44A | 1.150 | 29.20 | 1.287 | 32.70 | 1.551 | 39.40 | 0.752 | 19.10 | 1.000 | 25.40 | 2000 |
| CP47A | 1.356 | 33.22 | 1.292 | 32.82 | 1.500 | 38.10 | 0.781 | 19.84 | 1.000 | 25.40 | 1800 |
| CP49A | 1.311 | 33.30 | 1.465 | 32.70 | 1.622 | 41.20 | 0.752 | 19.10 | 1.000 | 25.40 | 1800 |
| CP51A | 1.527 | 38.79 | 1.344 | 34.14 | 1.750 | 44.45 | 0.880 | 22.35 | 1.000 | 25.40 | 1500 |
| CP55A | 1.601 | 40.67 | 1.451 | 36.86 | 1.750 | 44.45 | 0.750 | 19.05 | 1.000 | 25.40 | 1500 |
| CP56A | 1.735 | 44.07 | 1.615 | 41.02 | 1.906 | 48.42 | 0.719 | 18.26 | 1.125 | 28.58 | 1000 |
| CP57A | 1.938 | 49.23 | 1.807 | 45.90 | 2.160 | 54.86 | 1.000 | 25.40 | 1.250 | 31.75 | 1000 |
Open Slottex Plugs
SR 1117
Blue HDPE
- Can be applied or removed by spanner,
screwdriver or socket;
manually or with power tool

