| Part Number | To Fit UNF Thread Size | Dimensions (mm) | Std Pack Qty | |||
|---|---|---|---|---|---|---|
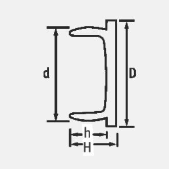
| d | D | h | H | |||
| 055002200003 | – | 2.1 | 3.5 | 7.0 | – | 1000 |
| 055003200003 | – | 3.3 | 12.0 | 6.0 | 7.7 | 1000 |
| 055004400003 | – | 4.4 | 9.0 | 5.2 | 6.5 | 1000 |
| 055004700003 | – | 4.6 | 7.0 | 5.0 | 6.2 | 1000 |
| 055005200003 | – | 5.1 | 11.0 | 6.0 | 8.0 | 1000 |
| 10876* | – | 5.4 | 12.0 | 7.5 | 9.5 | 10000 |
| 1287228 | – | 6.3 | 9.6 | 4.0 | 5.1 | 1000 |
| 055006600003 | – | 6.6 | 7.5 | 5.0 | – | 1000 |
| 12135 | M8 x1 | 7.3 | 14.0 | 6.0 | 8.0 | 10000 |
| 12136 | – | 8.4 | 14.0 | 6.0 | 8.0 | 10000 |
| 055008800003 | – | 8.8 | 11.5 | 8.0 | 9.5 | 500 |
| 055009300003 | – | 9.3 | 12.0 | 9.0 | 11.5 | 500 |
| 10905 | M10 | 9.3 | 14.0 | 4.5 | 6.5 | 6000 |
| 12978 | 1⁄8“ BSP | 9.3 | 16.0 | 6.8 | 8.3 | 6000 |
| 055010100003 | – | 10.0 | 12.0 | 4.0 | 5.7 | 500 |
| 055010000003 | – | 10.0 | 15.0 | 9.0 | 11.2 | 500 |
| 12977 | M12 x1.5 | 10.7 | 14.0 | 6.0 | 8.2 | 6000 |
| 055010700003 | – | 10.7 | 14.8 | 9.0 | 11 | 500 |
| 1255331 | M12 x1.25,M12 x1 | 11.3 | 14.4 | 5.5 | 9.5 | 1000 |
| 110478 | M14 | 11.9 | 16.0 | 7.0 | 9.0 | 5000 |
| 10906 | – | 12.3 | 16.0 | 7.0 | 9.0 | 5000 |
| 12979 | M14 x1.5 | 12.8 | 20.0 | 7.8 | 10.3 | 5000 |
| 1287226 | M14 x1.5,M14 x1.25 | 13.7 | 18.7 | 7.0 | 9.0 | 1000 |
| 12787 | – | 13.7 | 20.0 | 8.0 | 10.0 | 5000 |
| 1255332 | M16 x1.5 | 14.0 | 18.7 | 7.0 | 9.0 | 1000 |
| 12089 | – | 14.5 | 20.0 | 5.5 | 7.5 | 5000 |
| 055014300003 | – | 14.9 | 18.5 | 9.5 | 11.7 | 500 |
| 1287225 | M16 x1.5 | 15.0 | 18.7 | 7.0 | 9.0 | 1000 |
| 12789 | – | 15.6 | 20.0 | 8.0 | 10.0 | 5000 |
| 1287229 | M18 x2,M18 x1.5,M18 x1 | 16.5 | 18.7 | 7.0 | 9.0 | 1000 |
| 12790 | – | 17.0 | 22.0 | 8.2 | 10.8 | 5000 |
| 465687 | M20 x2 | 17.8 | 24.6 | 9.0 | 11.3 | 1000 |
| 12791 | – | 18.4 | 25.0 | 8.0 | 10.5 | 5000 |
| 055018300003 | – | 18.8 | 21.5 | 9.0 | 12.0 | 500 |
| 12792 | 1⁄2“ BSP | 19.3 | 25.0 | 8.0 | 11.0 | 5000 |
| 465688 | M22 x2 | 19.5 | 24.6 | 9.0 | 11.1 | 1000 |
| 1255333 | M22 x1.5 | 20.1 | 24.6 | 9.0 | 11.1 | 500 |
| 055020000003 | – | 10.7 | 25.5 | 9.0 | 12.0 | 250 |
| 12980 | M22 x1.5 | 20.5 | 30.0 | 10.7 | 13.2 | 3000 |
| 055021000003 | – | 21.0 | 26.0 | 12.6 | 15.6 | 250 |
| 12793 | 5⁄8” BSP | 21.2 | 25.0 | 7.5 | 9.5 | 5000 |
| 12794 | – | 21.7 | 25.0 | 8.0 | 10.5 | 4000 |
| 12796 | M24 x2 | 22.4 | 28.0 | 9.0 | 12.0 | 4000 |
| 055023000003 | – | 23.0 | 27.4 | 19.3 | 20.8 | 100 |
| 12797 | – | 23.4 | 28.0 | 9.0 | 12.0 | 4000 |
| 055024000003 | – | 24.0 | 27.0 | 12.8 | 14.4 | 100 |
| 12799 | 3⁄4” BSP | 24.6 | 28.0 | 9.0 | 12.0 | 3000 |
| 055025500003 | – | 24.8 | 31.5 | 6.0 | 8.2 | 100 |
| 055024500003 | – | 25.0 | 32.0 | 13.0 | 16.2 | 100 |
| 12800 | M27 x1.5 | 25.5 | 28.0 | 7.5 | 9.5 | 3000 |
| 12801 | M28 x1.5 | 26.5 | 28.0 | 9.0 | 12.0 | 4000 |
| 055027200003 | – | 27.0 | 29.6 | 15.0 | 16.4 | 100 |
| 465690 | M30 x3 | 27.5 | 34.8 | 12.0 | 14.5 | 500 |
| Part Number | To Fit UNF Thread Size | Dimensions (mm) | Std Pack Qty | |||
|---|---|---|---|---|---|---|
| d | D | h | H | |||
| 055028600003 | – | 28.6 | 34.0 | 15.0 | 18.8 | 100 |
| 12802 | – | 29.0 | 36.0 | 12.0 | 15.0 | 3000 |
| 12803 | 7⁄8” BSP | 30.5 | 36.0 | 12.0 | 15.0 | 2500 |
| 12804 | M33 x1.5,1“ BSP | 31.8 | 36.0 | 10.0 | 12.5 | 2000 |
| 1255334 | M33 x2,M33 x1.5,M36 x3 | 32.6 | 34.8 | 12.0 | 14.5 | 500 |
| 12805 | M35 x1.5 | 33.5 | 36.0 | 12.0 | 15.0 | 2000 |
| 055033500003 | – | 33.5 | 41.0 | 12.0 | 14.8 | 100 |
| 110479 | – | 34.8 | 42.0 | 15.0 | 18.0 | 2000 |
| 055035600003 | – | 35.5 | 46.5 | 15.0 | 19.5 | 100 |
| 110480 | – | 36.5 | 42.0 | 15.0 | 18.0 | 2000 |
| 465692 | M39 x3 | 37.6 | 40.4 | 12.0 | 14.5 | 500 |
| 110481 | – | 38.4 | 42.0 | 15.0 | 18.0 | 2000 |
| 1258454 | M39 x1.5,M42 x3 | 39.0 | 49.3 | 16.0 | 18.9 | 500 |
| 110482 | – | 40.6 | 44.0 | 15.0 | 18.0 | 1500 |
| 10122 | – | 42.3 | 48.0 | 15.0 | 18.0 | 1000 |
| 055043300003 | – | 43.3 | 50.5 | 15.0 | 18.0 | 100 |
| 110483 | – | 46.0 | 55.5 | 18.0 | 21.0 | 1500 |
| 055050500003 | – | 50.5 | 57.0 | 14.0 | 19.4 | 100 |
| 110484 | 13⁄4” BSP | 51.5 | 55.0 | 18.0 | 21.0 | 1500 |
| 055052000003 | – | 52.5 | 60.0 | 14.0 | 17.5 | 100 |
| 465694 | M56 x4,M56 x3,M56 x2 | 54.1 | 58.7 | 18.0 | 21.0 | 500 |
| 055055300003 | – | 55.3 | 59.6 | 19.5 | 23.0 | 100 |
| 110485 | 2“ BSP | 58.0 | 64.0 | 18.0 | 21.0 | 750 |
| 465695 | – | 59.6 | 73.5 | 18.0 | 21.0 | 500 |
| 12137 | M72 x2 | 70.0 | 78.0 | 18.0 | 21.5 | 500 |
| 465696 | M75 x1.5 | 73.7 | 82.3 | 17.4 | 20.4 | 250 |
| 465697 | M80 x4 | 80.8 | 92.5 | 17.4 | 20.4 | 250 |
| 055085000003 | – | 85.0 | 93.5 | 18.0 | 19.7 | 50 |
| 465698 | M76 x2 | 86.5 | 99.3 | 17.4 | 20.4 | 250 |
| 465699 | M100 x2 | 98.8 | 112 | 17.4 | 20.4 | 250 |
| 55110000003 | – | 110.5 | 130 | 18 | 21.5 | 50 |
| 465700 | M115 x4 | 111.7 | 123 | 17.4 | 20.4 | 250 |

